
AL-1551 ELECTRICAL SECTION 12-1
[12]ELECTRICAL SECTION
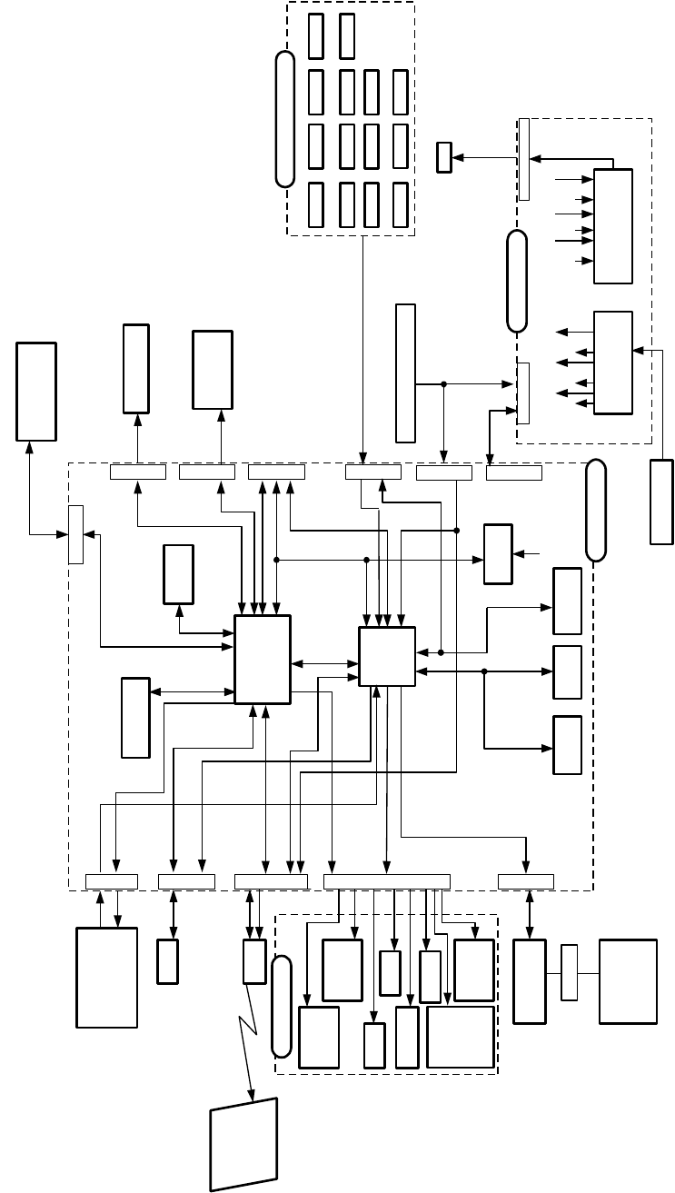
1. Block diagram
A. Overall block diagram
SRAM
JITTER
SYNC IC
ASIC
CPU
EPROM
SRAM
EEPROM
RESET IC
5V
CN5
CN15
CN9
CN3
CN20
CN23
CN30
CN26
Toner Motor
INTERLOCK SWITCH
HL
CN3
Power
UNIT
High Voltage
Control Unit
24V
12V
5V
3.3V
GND
FM
MC
BIAS HLOUT
GRIDL
TC
PR
AC PWB
AC INPUT
CCD
LSU
MIRROR
MOTOR
VFM
CPFS1
RRS
MPFS
OPE PANEL
COPY
LAMP
Duplex
Motor
(Duplex model
Only)
CN
902
CRU
Reset
Switch
Other Loads
AND
AND
Reference AND
AND
AND
UART
LASER
Print MEMORY
MCU PWB
CN16
SPF(SPF model),
UNIT
R-SPF(R-SPF model)
F-PUMA MCU PWB Overall block diagram
MHPS RTH TCS
POD PPD1 PPD2
MMLD MHPS CED1
DVSEL SDOD
PSW2
PSW1
CED2
GDI
UNIT
Printed
Visual Data
MAIN
MOTOR
Other Inputs
Comments to this Manuals