
7-50 P/N 13999-002 Info Manual
Section 7 Cirrus Design
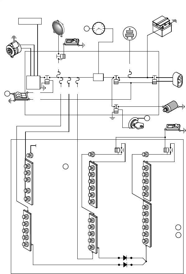
Airplane Description SR20
Figure 7-10
ALT.
CNTL.
UNIT
25A
(MCU)
MASTER CNTL. UNIT
MASTER
1
ALTERNATOR
ALT.
RELAY
EXTERNAL
POWER
RECEPTACLE
STARTER
GND.
PWR.
RELAY
INST. LIGHTS
PITCH TRIM
ROLL TRIM
ESSENTIAL I
AVIONICS
AVIONICS
AVIONICS
CIRCUIT BREAKER PANEL
COM I
GPS 1
ENCODER/TRANS
AUDIO PANEL
HSI
ANNUN. POWER
TURN COORD.
ENGINE INST.
ALTERNATOR
ESSENTIALESSENTIAL
MAIN BUS 1 NON-ESSENTIAL
NON-ESSENTIAL
MAIN BUS 2
SR20_FM07_1018B
15A
25A
25A
5A
LOW VOLTS
ANNUNC.
CLOCK
BATTERY
VOLTS
AMPS
3
LANDING
LIGHT
LANDING
LIGHT
LANDING
LIGHT RELAY
STANDBY VACUUM
IGNITION
3
1
2
2
STARTER
RELAY
CURRENT
SENSOR
BATTERY
RELAY
AVIONICS
(START)
SEE VACUUM SYSTEM
IN THIS SECTION
STARTER RELAY
AUXILIARY PWR. 28VDC
CONVENIENCE
POWER 12VDC
PITOT HT./
COOLING FAN
FLAPS
FUEL PUMP
NAV LIGHTS
CABIN FLOOD LIGHTS
STROBE LIGHTS
ESSENTIAL 2
AVIONICS
COM 2
GPS 2
MFD
ADF
STORM SCOPE
DME
AUTO PILOT
ALT.
BAT.
Electrical Power & Distribution
September 2011
Comments to this Manuals