Sharp R-360ES Specifications Page 204

  • Download
  • Add to my manuals
  • Print
  • Page
    / 392
  • Table of contents
  • BOOKMARKS
  • Rated. / 5. Based on customer reviews
Page view 203
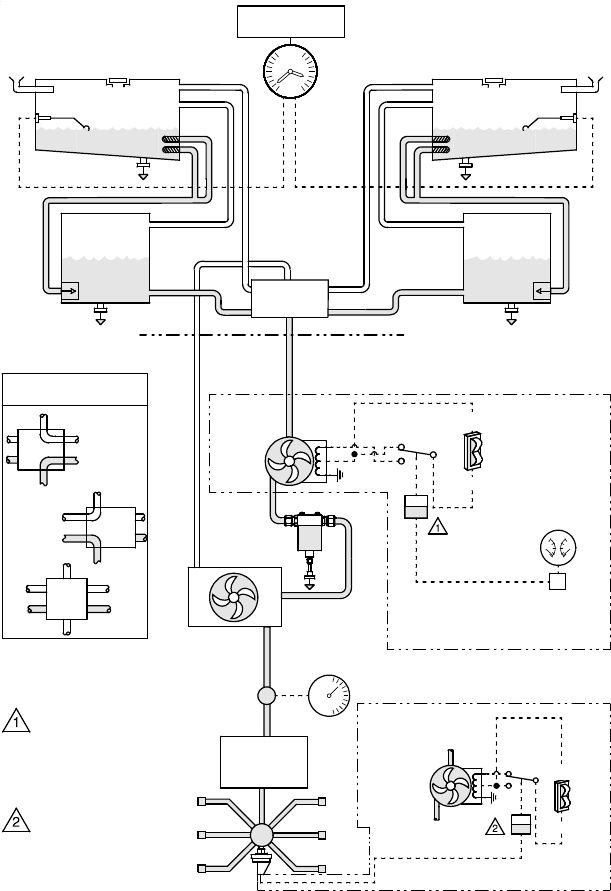
7-42 P/N 13999-002 Info Manual
Section 7 Cirrus Design
Airplane Description SR20
Figure 7-8
SR20_FM07_1016E
Serials 1005 thru 1227 before SB 20-73-02.
Serials 1228 and subs
and 1005 thru 1227 after SB 20-73-02.
THROTTLE
METERING
VALVE
In Prime mode, relay
allows high-speed pump
operation until 2-4 psi fuel
pressure is reached then
drops to low-speed
operation.
NOTE
In Prime mode, relay
allows high-speed pump
operation when the oil
pressure is less than 10 psi.
ELECTRIC
AUXILIARY
PUMP
FUEL
PUMP
PRIME
BOOST
FUEL
RELAY
OIL
PRESSURE
GAUGE
(LOW PRESSURE)
STARTING
CIRCUIT
GASCOLATOR
ELECTRIC
AUXILIARY
PUMP
R. WING
COLLECTOR
VENT
FILLER
R. WING TANK
FILLER
OFF
FEED
RETURN
LEFT
RIGHT
FEED
RETURN
FUEL PRESSURE SWITCH
SELECTOR VALVE
OPERATION
FUEL
FLOW
INDICATOR
ANNUNCIATOR
FUEL
FUEL
QUANTITY
INDICATOR
FUEL
PUMP
PRIME
BOOST
DRAIN
(5 PLACES)
INJECTOR
MANIFOLD
FIREWALL
VENT
L. WING TANK
L. WING
COLLECTOR
FUEL
RELAY
ENGINE DRIVEN
FUEL PUMP
MIXTURE CNTL.
TO
SELECTOR
VALVE
TO
GASCOLATOR
FLAPPER
VALVE
FLAPPER
VALVE
SELECTOR
VALVE
Fuel System
September 2011
Page view 203
1 2 ... 199 200 201 202 203 204 205 206 207 208 209 ... 391 392

Comments to this Manuals

No comments