
HT-DP2500W
– 11 –
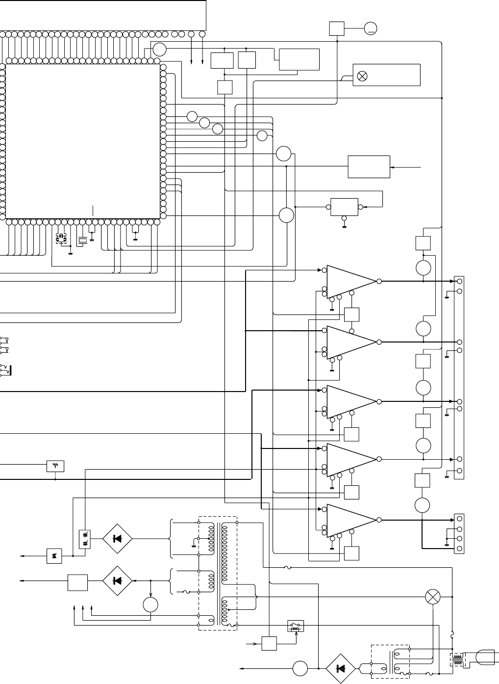
Figure 11 BLOCK DIAGRAM (2/2)
2
1
3
REMOCON
RX1
REMOTE
SENSOR
ONES
OOFER
5
1
+B1
3
–B1
5
1
10
+B1
3
IC701
LM2876
POWER AMP.
IC702
LM2876
POWER AMP.
IC703
LM2876
POWER AMP.
IC704
LM2876
POWER AMP.
IC705
LM2876
POWER AMP.
–B1
8
5
1
+B1
3
–B1
8
T.F
F611
T800mA L 250V
L-CH IN
5
1
10
+B1
3
–B1
8
REAR-OUT
5
1
+B1
3
–B1
8
+
L-CH OUT
R-CH OUT
+
+
+
–
GND
–
GND
–
GND
–
GND
FRONT
L-CH
SO701
SPEAKER
TERMINALS
FRONT
R-CH
CENTER OUT
CENTER OUT
SUB WOOFER
R-CH IN
S/W IN
CENTER IN
REAR-IN
D630
7
4
7
4
Q701
Q702
8
10
10
10
F-MUTE
Q751
Q752
7
4
S-MUTE
Q771
Q772
7
4
C-MUTE
Q781
Q782
7
4
R-MUTE
D621-D624
VOLTAGE
REGULATOR
Q621
Q622
VOLTAGE
REGURATER
A-12V
Q611
T.F
T601
POWER
TRANSFORMER
AC POWER
SUPPLY CORD
AC110/127/
220/230-240V
50/60Hz
D601–D604
Q603
Q602
VOLTAGE
REGULATOR
Q601
µ-COM5V
A+12V(ANALOG)
1 2 3 4
5 6 7
8 9
10
11 12
13 14
15
16
17
18
19
20
21
22 23
24
25
26
27
28
29
30
31
32
33
34
35
36
37
38
39
40
41
42
43
44
45
46
47
48
49
50
51 52
53
54 55 56 57
58
59
60 61 62
63 64
65
66
67 68
69 70
71
72
73 74
75
76
77
78
79
80
81
82
83
84
85
86
87
88
89
90
91
92
93
94
95
96
97
98
99
100
TUN-DO
TUN-DI
TUN-CK
TUN-CE
TUN-MUTE
TUN-SD
TUN-ST
VDD
OSC2
OSC1
VSS
XI
XO
MMOD
VREF
KEY1
KEY2
KEY3
AREA
SP-LEVEL
MODEL
POSISTER
RESET
V-DATA
POW-SW
R-RLAY
C-RLAY
PROTECT
FAN
LED1
1G
2G
3G
4G
5G
6G
7G
8G
9G
10G
P1
P2
P3
P4
P5
P6
P7
P8
P9
P10
P11
P12
P15
P16
NC
NC
NC
NC
DAPD
ADPD
AC3-RES
AC3-SS
AC3-SI
D-SEL
AC3-SCK
SW-ON
PRO-ENA
PRO-DI
PRO-CK
V-SW1
V-SW2
V-MUTE
SW-RLAY
FA-RLAY
SW-MUTE
C-MUTE
R-MUTE
F-MUTE
JOG DOWN
JOG UP
REMOCON
AC3-SO
SYS-STOP
POWER
V-CK
V-LACH
FS-CK
FS-DATA
FS-STB
VREF+
ALC
SW2-SW8
SW9-SW15
KEY MATRIX
LED1
STAND-BY LED
LED2
TIMER LED
SW23
JOG
DIAL
SW1
ON
STAND-BY
Q6
RESET
µ-COM+5V
Q7
Q8
ZD1
VF1
(AC)
VF2
(AC)
VF1
(AC)
VP
VF2
(AC)
+
–
–
+
L-CH
GND
GND
R-CH
S0702
REAR
SPEAKER
TERMINALS
IC1
IX0001SJ
SYSTEM
MICROCOMPUTER
FL1
FL DISPLAY
OVER CURRENT
DETECTOR
OVER CURRENT
DETECTOR
SWITCHING
Q784
Q785
Q786
SUB WOOFER OUT
Q705
Q707
Q708
OVER CURRENT
DETECTOR
SWITCHING
OVER CURRENT
DETECTOR
SWITCHING
OVER CURRENT
DETECTOR
SWITCHING
Q706
Q754
Q774
Q775
Q776
Q755
Q756
SPSWA
SPSWB
POW-1
POW-2
RLY601
POWER SW
T602
POWER
TRANSFORMER
SWITCHING
F603
T100mA L 250V
LF601
LINE FILTER
F601
T2.5A L 250V
F602
T1.25A L 250V
230-240V/
220V
127V
110V
SW601
VOLTAGE
SELECTOR
34 33 32 31
30
29
28 27 26
25 20
19
18
17 16
15 14
13
12
11 10
9
38 37
Q632
Q633
M
M671
FAN MOTOR
Q10
Q11
Q12
Q4
Q3
Q2
Q1
XL2
8MHz
XL1
32.768kHz
1G
2G
3G
4G
5G
6G
7G
8G
9G
10G
P1
P2
P3
P4
P5
P6
P7
P8
P9
P10
P11
P12
F2
F2
36
35
NC(NP)
NC(NP)
8
P13
21 22 23
24
NC(NC)
NC(NC)
NC(NC)
NC(NC)
FAN
NC
NC
VR1
SUB-WOOFER
VOLUME
Q13
581
Comments to this Manuals