Many
Manuals
search
Categories
Brands
Home
Sharp
CD players
QT-MP5W
Specifications
Sharp QT-MP5W Specifications Page 2
Download
Share
Sharing
Add to my manuals
Print
Page
/
32
Table of contents
TROUBLESHOOTING
BOOKMARKS
Rated
.
/ 5. Based on
customer reviews
1
2
3
4
5
6
7
8
9
10
11
12
13
14
15
16
17
18
19
20
21
22
23
24
25
26
27
28
29
30
31
32
i
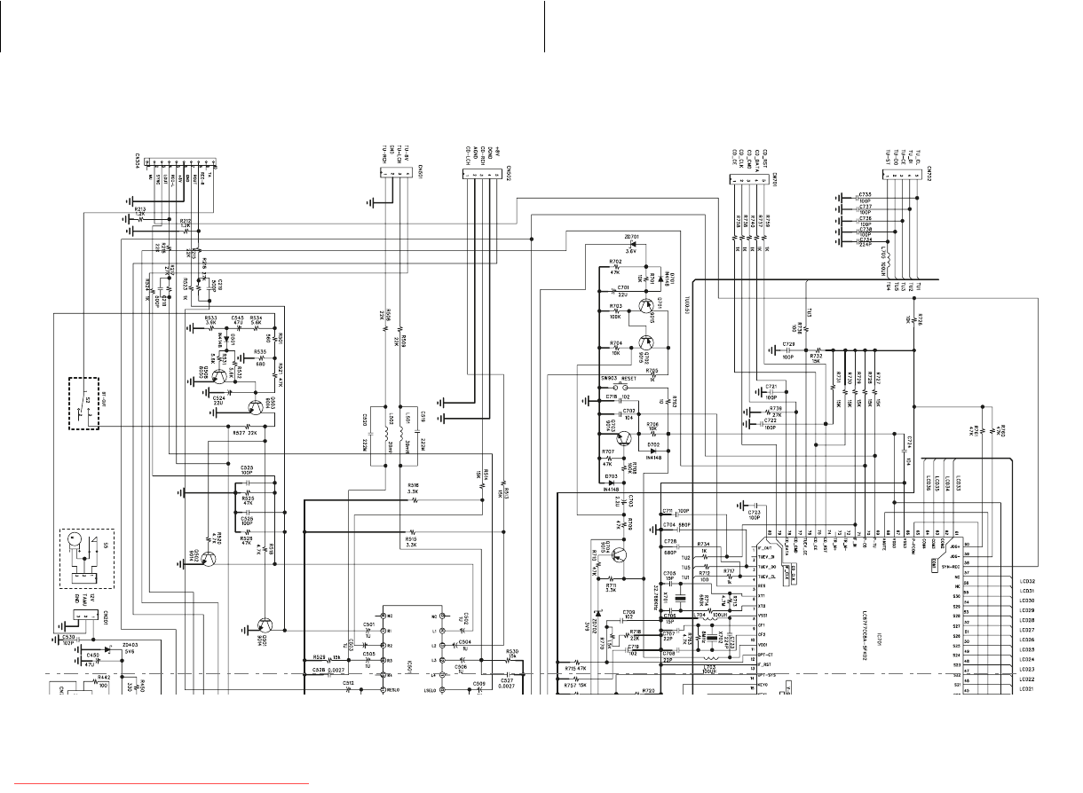
• Wiring diagram of this model is subject to change for improvement without prior notice.
Downloaded from
www.Manualslib.com
manuals search engine
Downloaded From Disc-Player.com Sharp Manuals
1
2
3
4
5
6
7
...
31
32
manuals search engine
1
Special notes
10
Precautions
12
Controls and indicators
13
Operation with AC power
15
Operation with batteries
15
General control
16
Listening to the radio
23
Setting the FM/AM interval
25
Listening to a cassette tape
26
Recording to a cassette tape
27
Enhancing your system
28
Troubleshooting chart
29
Maintenance
30
Specifications
31
Comments to this Manuals
No comments
Publish
Related products and manuals for CD players Sharp QT-MP5W
CD players Sharp XL-UH220H Specifications
(53 pages)
CD players Sharp XL-45H Specifications
(39 pages)
CD players Sharp HT-DV50U User Manual
(66 pages)
CD players Sharp XL-65H Specifications
(39 pages)
CD players Sharp QT-CD250H Specifications
(12 pages)
CD players Sharp XL-HP500H Specifications
(40 pages)
CD players Sharp XL-UH4H Specifications
(44 pages)
CD players Sharp XL-MP100H Specifications
(36 pages)
CD players Sharp CD-C4450 Specifications
(144 pages)
CD players Sharp XL-MP80H Specifications
(41 pages)
CD players Sharp CD-MPS800W Specifications
(47 pages)
CD players Sharp CD-C482 Service Manual
(67 pages)
CD players Sharp XL-HP404H Specifications
(36 pages)
CD players Sharp HT-CN650DVW Specifications
(60 pages)
CD players Sharp CD-MPX870H Specifications
(57 pages)
CD players Sharp XL-HP535E Specifications
(40 pages)
CD players Sharp QT-UH4H Specifications
(35 pages)
CD players Sharp CD180 Specifications
(12 pages)
CD players Sharp XL-MP110E Specifications
(40 pages)
CD players Sharp XL-3000V Specifications
(28 pages)
Print document
Print page 2
Comments to this Manuals