
39
VL-AH150U
VL-AH160U
ADD 43, 44, 45, 46
Signal waveform
ADD 3F, 40, 41, 42
(A) TL319
(B) TL319
25 AV REC-H
PB
REC
SC305
SC305 Q307
SC305
SC305
SC305
IC 301
HEAD AMP-PROCESS
VCC
RECORDING
AMPLIFIER
CH-1
SC305
SC305
SC305
SC305
SC301
SC301
ROTALY
ERASING
HEAD
VIDEO HEAD
L
(CH-2)
VIDEO HEAD
R
(CH-1)
ROTALYTRANSFORMER
Q315
Q302
13 PB RF EVN.
24 H-SW-P
23 OVER-P
28 REC-Y
31 REC-C
16 AGC IN
19 PB Y FM
22
D.O. PULSE
SC305
34
REC RF
10
ROT ERASE
BUF
BUF
VGC
11
3
Q315
2
30
9
28
9
7
5
32
4
FF30
Y
AMP
AGC
DOC
PLAYBACK
AMPLIFIER
CH-2
RECORDING
AMPLIFIER
CH-2
ERASING OSCILLATOR
SWITCH
ERASING
OSCILLATOR
PLAYBACK
AMPLIFIER
CH-1
24
27
13
a
1FE (S)
SC301
5L (S)
SC301
6L (F)
SC301
9R (S)
SC301
8R (F)
2FE (F)
18
23
14
17
4.9V
4.9V
(A),(B)
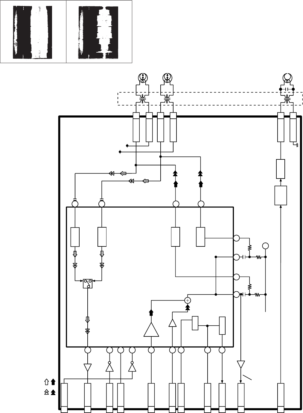
7-2. HEAD AMP BLOCK DIAGRAM
Comments to this Manuals